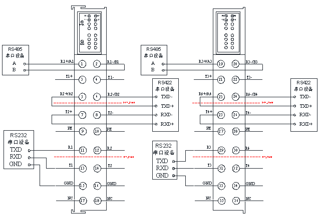
SRE6004接线图

注:一个通道同时仅支持接入一种串口类型,图中接线仅为示例,具体接线方式根据实际使用进行连接。
SRE6004端子说明
| 端子 | 端子说明 | |
| R1+/A1 | COM1串口RS422信号接收+ | COM1串口RS485信号接收A+ |
| T1+ | COM1串口RS422信号发送+ | |
| R1-/B1 | COM1串口RS422信号接收- | COM1串口RS485信号接收B- |
| T1- | COM1串口RS422信号发送- | |
| R1 | COM1串口RS232信号接收 | |
| T1 | COM1串口RS232信号发送 | |
| GND | COM1串口RS232信号GND | |
| PE | 大地 | |
| R2+/A2 | COM2串口RS422信号接收+ | COM2串口RS485信号接收A+ |
| T1+ | COM2串口RS422信号发送+ | |
| R2-/B2 | COM2串口RS422信号接收- | COM2串口RS485信号接收B- |
| T2- | COM2串口RS422信号发送- | |
| R2 | COM2串口RS232信号接收 | |
| T2 | COM2串口RS232信号发送 | |
| GND | COM2串口RS232信号GND | |
| PE | 大地 | |
| R3+/A3 | COM3串口RS422信号接收+ | COM3串口RS485信号接收A+ |
| T3+ | COM3串口RS422信号发送+ | |
| R3-/B3 | COM3串口RS422信号接收- | COM3串口RS485信号接收B- |
| T3- | COM3串口RS422信号发送- | |
| R3 | COM3串口RS232信号接收 | |
| T3 | COM3串口RS232信号发送 | |
| GND | COM3串口RS232信号GND | |
| PE | 大地 | |
| R4+/A4 | COM4串口RS422信号接收+ | COM4串口RS485信号接收A+ |
| T4+ | COM4串口RS422信号发送+ | |
| R4-/B4 | COM4串口RS422信号接收- | COM4串口RS485信号接收B- |
| T4- | COM4串口RS422信号发送- | |
| R4 | COM4串口RS232信号接收 | |
| T4 | COM4串口RS232信号发送 | |
| GND | COM4串口RS232信号GND | |
| PE | 大地 | |